Du kannst keine neue Antwort schreiben
Seiten (10): [1] 2 3 4 5 6 7 8 9 10 »

Autor Thema 
FabianH

Grand Master of Rocketry


Supervisor

FabianH

Registriert seit: Okt 2003

Wohnort: Gevelsberg

Verein: Ramog, Solaris-RMB, FAR

Beiträge: 4123

Status: Offline

Beitrag 109157 , Weihnachtbeleuchtung [Alter Beitrag10. Dezember 2006 um 20:01]

[Melden] Profil von FabianH anzeigen    FabianH eine private Nachricht schicken   Besuche FabianH's Homepage    Mehr Beiträge von FabianH finden

So, da ja nun der Atmelkurs schon soweit ist, das man das ein oder andere Projekt angehen kann, habe ich mir mal Gedanken gemacht, was ich denn Weihnachten damit so anfangen könnte. OK, es war ein spontaner Gedanke, quasi so eine Art Eingebung: Ich möchte/werde dieses Jahr die Weihnachtsbeleuchtung einfach mit nem Atmel und einigen Relais als Lichtorgel zweckentfremdenbig grin
Also eigentlich kann ich doch beim Entwicklerboard an die I/O's die ganz normal herrausgeführt sindeinige Transistoren dranhängen, und dann Relais dahinter. Die Relais zu einer modifiziereten Steckerleiste und dann ganz normal Lichterketten usw. dort einstecken.
Das müsste doch soweit gehen, oder sehe ich das falsch? Ich mache gerade mal nen Schaltplan, wie ich mir das genau vorstellen.

Mfg Fabian
Stefan Wimmer

Grand Master of Rocketry


Moderator

Stefan Wimmer

Registriert seit: Aug 2000

Wohnort: Berlin

Verein: Deutsche Experimental Raketen Arbeitsgruppe (DERA)

Beiträge: 2398

Status: Offline

Beitrag 109161 [Alter Beitrag10. Dezember 2006 um 20:47]

[Melden] Profil von Stefan Wimmer anzeigen    Stefan Wimmer eine private Nachricht schicken   Besuche Stefan Wimmer's Homepage    Mehr Beiträge von Stefan Wimmer finden

...soweit man das Deiner groben Beschreibung entnehmen kann, müsste das funtionieren. Zeig' mal den Schaltplan. Ach ja: die Freilaufdioden an den Relaisspulen nicht vergessen!

It's the Government - it doesn't have to make sense! (B. Kaplow in r.m.r)
FabianH

Grand Master of Rocketry


Supervisor

FabianH

Registriert seit: Okt 2003

Wohnort: Gevelsberg

Verein: Ramog, Solaris-RMB, FAR

Beiträge: 4123

Status: Offline

Beitrag 109167 [Alter Beitrag10. Dezember 2006 um 21:30]

[Melden] Profil von FabianH anzeigen    FabianH eine private Nachricht schicken   Besuche FabianH's Homepage    Mehr Beiträge von FabianH finden

Freilaufdioden, wegen der hohen spannung die sich da entwickeln kann? Hab in der region leider nicht so die Ahnung, kannst du mir nen Typ dioden sagen, denn bei reichelt gibt es sicherlich nicht nur eine Diode...ich weis nicht, was die abkönnen muss. hier nun mal der schaltplan, als Bild und als EAGLE-File:

Anhang: erster schaltplan.png
Anhang: erster schaltplan.zip

MfG Fabian
CharlyMai

Foren-Prediger


Administrator

CharlyMai

Registriert seit: Mär 2005

Wohnort: Fuhrberg

Verein: SOLARIS-RMB e.V. (P2;T2) / AGM / TRA#21598

Beiträge: 1979

Status: Offline

Beitrag 109175 [Alter Beitrag10. Dezember 2006 um 23:29]

[Melden] Profil von CharlyMai anzeigen    CharlyMai eine private Nachricht schicken   Besuche CharlyMai's Homepage    Mehr Beiträge von CharlyMai finden

1N4001;1N4004; 1N4148 ... irgendwas in Sperrichtung zu Jeder Spule!!!




viele Grüße
Pierre

•"Der Glaube an eine bestimmte Idee gibt dem Forscher den Rückhalt für seine Arbeit.
Ohne diesen Glauben wäre er verloren in einem Meer von Zweifeln und halbgültigen Beweisen." Konrad Zuse

•Konstruiere ein System, das selbst ein Irrer anwenden kann, und so wird es auch nur ein Irrer anwenden wollen.

SOLARIS-RMB e.V. AGM
Reinhard

Überflieger

Reinhard

Registriert seit: Sep 2003

Wohnort: Österreich

Verein: TRA #10691, AGM

Beiträge: 1187

Status: Offline

Beitrag 109176 [Alter Beitrag11. Dezember 2006 um 00:47]

[Melden] Profil von Reinhard anzeigen    Reinhard eine private Nachricht schicken   Besuche Reinhard's Homepage    Mehr Beiträge von Reinhard finden

Hi Fabian,

du hast Emitter und Kollektor miteinander vertauscht. Vergesse auch nicht auf den Basiswiderstand. Mit der Freilaufdiode kann dann schon (fast) nichts mehr schiefgehen.

Noch ein kleiner Tipp, zeichne die Schaltpläne so dass der Strom, der von Plus nach Minus fließt (eigentlich sind es ja negativ geladene Elektronen die von Minus nach Plus fließen, aber das ist nunmal so eine Konvention), bevorzugt von oben nach unten und von links nach rechts fließt. Mit solchen Schleifen wie du sie gezeichnet hast ist der Plan zwar nicht falsch aber auch nicht besonders intuitiv zu lesen.

Gruß
Reinhard

Geändert von Reinhard am 11. Dezember 2006 um 00:49

Neil

99.9% harmless nerd


Administrator

Neil

Registriert seit: Aug 2000

Wohnort: Delft

Verein: SOLARIS

Beiträge: 7776

Status: Offline

Beitrag 109186 [Alter Beitrag11. Dezember 2006 um 11:47]

[Melden] Profil von Neil anzeigen    Neil eine private Nachricht schicken   Neil besitzt keine Homepage    Mehr Beiträge von Neil finden

Hi,

nimm doch Solid State Relais (?). Da hast du keine Spule und somit weniger sorgen.

Gruß

Neil

Die Erde ist eine Scheibe. Egal in welche Richtung sich die Menschheit bewegt, sie geht immer auf einen Abgrund zu.


icepic

SP-Schnüffler

icepic

Registriert seit: Okt 2003

Wohnort: Schönaich

Verein: Solaris-RMB e.V.;TRA #10579 L2;T2

Beiträge: 875

Status: Offline

Beitrag 109188 [Alter Beitrag11. Dezember 2006 um 15:49]

[Melden] Profil von icepic anzeigen    icepic eine private Nachricht schicken   Besuche icepic's Homepage    Mehr Beiträge von icepic finden

Hi Fabian,

schön dass Du etwas an das AVR-Board basteln willst. Wenn Du die Transistoren so verschaltest, hast Du nur eine Stromverstärkung und keine Spannungsverstärkung, d.h. du hast an den Relais nur eine Spannung die kleiner ist als die Basisspannung. Also keine 12V wie Du vielleicht erwartest hast.

Als Beispiel mal eine Schaltung wie Du sie gezeichnet hast !!(mal von Basisvorwiderstand u. Freilaufdiode abgesehen)



Die Spannung an der Spule beträgt bei 5Volt Pulsen nur ca. 4.2V. (siehe Diagramm rote Kurve)



Wenn man das Relais dagegen so verschaltet....dann



hat man auch annähernd 12V am Relais(Spule)
Mist !!! sieht man schlecht...rote Kurve Spannung am Kollektor - grün Spannungspulse an Basis



Gruß Uli

Geändert von icepic am 11. Dezember 2006 um 15:58


Die Frage ob man den "neusten" PC hat, beantwortet man sich, wenn man links neben der SPACE-Taste schaut !!!!
FabianH

Grand Master of Rocketry


Supervisor

FabianH

Registriert seit: Okt 2003

Wohnort: Gevelsberg

Verein: Ramog, Solaris-RMB, FAR

Beiträge: 4123

Status: Offline

Beitrag 109224 [Alter Beitrag11. Dezember 2006 um 20:00]

[Melden] Profil von FabianH anzeigen    FabianH eine private Nachricht schicken   Besuche FabianH's Homepage    Mehr Beiträge von FabianH finden

Also so in etwa. Freilaufdioden, wenn ich mich durch das 5 mal drehen nun nicht vertan habe simmen auch die Transistoren, und die Spulen vor die T's geschaltet. ich hoffe das der Weihnachtsbaum nun blinken kannwink

@Neil: Bei basteleien mit Netzgeräten, bleibe ich lieber bei Relais, denn da sehen ich die Trennung der beiden Kreise. Ist mir zum Anfang erstmal lieber.

Mfg Fabian

Geändert von FabianH am 11. Dezember 2006 um 20:01

FabianH

Grand Master of Rocketry


Supervisor

FabianH

Registriert seit: Okt 2003

Wohnort: Gevelsberg

Verein: Ramog, Solaris-RMB, FAR

Beiträge: 4123

Status: Offline

Beitrag 109376 [Alter Beitrag13. Dezember 2006 um 20:09]

[Melden] Profil von FabianH anzeigen    FabianH eine private Nachricht schicken   Besuche FabianH's Homepage    Mehr Beiträge von FabianH finden

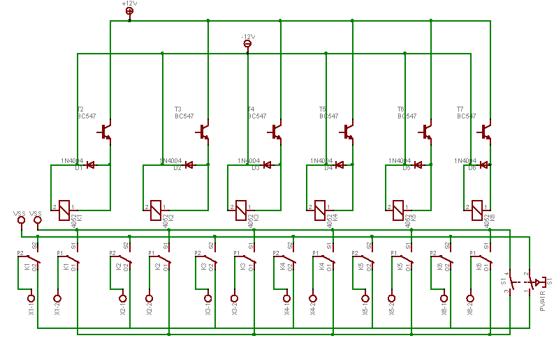
Ich wunder mich warum keine Antwort kommt, da merk ich erstmal das ich vergessen habe den schaltlan anzuhängenroll eyes (sarcastic)


so sollte es gehen, oder?

Mfg Fabian
Stefan Wimmer

Grand Master of Rocketry


Moderator

Stefan Wimmer

Registriert seit: Aug 2000

Wohnort: Berlin

Verein: Deutsche Experimental Raketen Arbeitsgruppe (DERA)

Beiträge: 2398

Status: Offline

Beitrag 109380 [Alter Beitrag13. Dezember 2006 um 21:11]

[Melden] Profil von Stefan Wimmer anzeigen    Stefan Wimmer eine private Nachricht schicken   Besuche Stefan Wimmer's Homepage    Mehr Beiträge von Stefan Wimmer finden

Nein, Du verwendest immer noch eine Kollektorschaltung (auch Emitterfolger genannt), wo Du besser eine Emitterschaltung verwenden solltest. Siehe http://de.wikipedia.org/wiki/Emitterschaltung

Um beim Emitterfolger den Transistor ganz aufzusteuern bräuchtest Du eine Basisspannung von 12,7V. Wenn Du die aus dem AVR bekommst, hast Du was grundsätzlich falsch gemacht big grin eek! angel

Geändert von Stefan Wimmer am 13. Dezember 2006 um 21:13


It's the Government - it doesn't have to make sense! (B. Kaplow in r.m.r)
Seiten (10): [1] 2 3 4 5 6 7 8 9 10 »
[Zurück zum Anfang]
Du kannst keine neue Antwort schreiben